一、化学法(消化法)《动脉粥样硬化》

一、化学法(消化法)

1.原理

以有机混合试剂(无水乙醇、乙醇)抽提血清中磷脂,再用浓硫酸和过氯酸消化抽提液中的脂类和其他有机化合物,用硝酸盐与磷反应生成有色化合物,比色定量。本法可用组织细胞磷脂的抽提定量。

2.试剂组成

代号种类浓度组成贮2~8℃有效时间
R-1抽提液 无水乙醇:乙醇=3:1  
R-2消化液 用1L密器,加水约500ml,置冷水中缓缓加浓硫酸280ml到水中,冷却后加过氯酸(70%,AR)65ml,混匀,加蒸馏水至1000ml  
R-3显色剂 钼酸铵(A.R)2.5g+无水醋酸钠8.2g,加蒸馏水溶解并稀释至1L,监用时取此液体9份加新配的VitC液(10%)1份,混合即可  
R-4参考液(贮存液)1mg/L 称干燥KH2PO(A.R)0.4393g,溶于蒸馏水中,转移至100ml的容量中,用蒸馏水加至刻度。 冷藏
R-5参考应用液0.04mg/ml取贮存液2ml加至50ml容量中,加水至刻度 冷藏

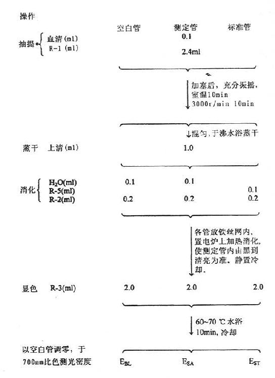
3.操作

按图15-5操作。

4.计算

血清脂性磷浓度=ESA/EST×10(mg/dl)

血清磷脂(以卵磷脂计)=ESA/EST×10×0.3229(mmol/L)

血清磷脂测定(消化法)操作图*采用带塞玻璃试管

图15-5 血清磷脂测定(消化法)操作图*采用带塞玻璃试管

上一页:第三节 磷脂测定
当前页:一、化学法(消化法)
下一页:二、酶法

原始资料来源互联网,药药网整理。