(二)内分泌部《组织学与胚胎学》

(二)内分泌部

胰岛(pancreas islet)是由内分泌细胞组成的细胞团,分布于腺泡之间在(图13-4)。成人胰腺约100万个胰岛,约占胰腺体积的1.5%左右,胰尾部的胰岛较多。胰岛大小不一,小的仅由10多个细胞组成,大的有数百个细胞,也可见单个细胞散在于腺泡之间,胰岛细胞呈团索状分布,细胞间有丰富的有孔型毛细血管,细胞释放激素入血。人胰岛主要有A、B、D、PP四种细胞,某些动物的胰岛内还有D1细胞、C细胞等,细胞之间有紧密连接和缝隙连接。HE染色切片中不易区分各种细胞,一些特殊染色法可显示A、B、D三种细胞。近年多用电镜和免疫细胞化学法区分和研究胰岛各种细胞(图13-7,13-8)。

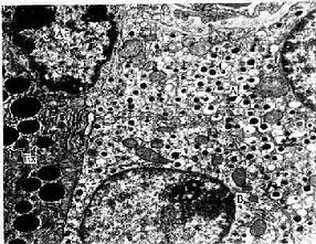
1.A细胞 约占胰岛细胞总数的20%,细胞体积较大,多分布在胰岛周边部(图13-7)。电镜下可见A细胞内的分泌颗粒较大,呈圆形或卵圆形,颗粒内的致密核芯常偏于一侧,膜与核芯之间在可见一新月形的帽样间隙,内含密度较低的无定形物(图13-8)。A细胞分泌高血糖素(glucagon),故又称高血糖素细胞。高血糖是小分子多肽,它的作用是促进肝细胞内的糖原分解为葡萄糖,并抑制糖原合成,故使血糖升高。

 胰岛各种细胞

图13-8

2.B细胞 数量较多,约占胰岛细胞总数的70%,主要位于胰岛的中央部(图13-7)。B细胞内的分泌颗粒大小不一,其结构因动物种属而异,人和鼠等的B细胞颗粒内常见杆状或不规则形晶状致密核芯,核芯与膜之间有较宽的清亮间隙(图13-8)。B细胞分泌胰岛素(insulin),故又称胰岛素细胞。胰岛素是含51个氨基酸的多肽,主要作用是促进细胞吸收血液内的葡萄糖作为细胞代谢的主要能量来源,同时也促进肝细胞将葡萄糖合成糖原或转化为脂肪。故胰岛素的作用与高血糖素相反,可使血溏降低。这两种激素的协同作用,使血糖水平保持稳定。若胰岛素的作用与高血糖素相反,可使血糖降低。这两种激素的协同作用,使血糖水平保持稳定。若胰岛发生病变,B细胞退化,胰岛素分泌不足,可致血溏升高,并从尿中排出,即为糖尿病。胰岛B细胞肿或细胞功能亢进,则胰岛素分泌过多,可导致低血糖症。

3.D细胞 数量少,约占胰岛细胞总数的5%,D细胞散在于A、B细胞之间,并与A、B细胞紧密相贴(图13-7)细胞间有缝隙连接。D细胞内的分泌颗粒较大,圆形或卵圆形,内容物呈细颗粒状,电子密度低。D细胞分泌生长抑素(somato statin),它以旁分泌方式或经缝隙连接直接作用于邻近的A细胞、B细胞或PP细胞,抑制这些细胞的分泌功能。生长抑素也可进入血循环对其他细胞功能起调节作用。

 胰岛

图13-7 胰岛

A.胰岛三种细胞分布模式图

B.高血糖素免疫细胞化学(PAP法)示胰岛A细胞 ×100

C胰岛素免疫细胞化学(胶体金法)示胰岛B细胞 ×100

4.PP细胞数量很少,除存在于胰岛内,还可见于外分泌部的导管上皮内及腺泡细胞间,胞质内也有分泌颗粒。PP细胞分泌胰多肽(pancreatic polypeptide),它有抑制胃肠运动和胰液分泌以及胆囊收缩的作用。

除以上几种细胞外,某些动物的胰岛内还发现有分泌血管活性肠肽(VIP)的D1细胞,分泌胃泌素的G细胞。有的低等脊椎动物胰岛内还存在一种无分泌颗粒的细胞,称为C细胞,它是一种未分化细胞,可分化为A、B、D等细胞。胰岛细胞中除B细胞外,其他几种细胞也见于胃肠粘膜内,它们的结构也相似,都合成和分泌肽类或胺类物质,故认为胰岛细胞也属APUD系统,并将胃、肠、胰这些性质类似的内分泌细胞归纳称为胃肠胰内分泌系统(gastro-entero-pancreatic endocrinesystem),简称GEP系统。

胰岛内分泌功能也受神经系统的调节,胰岛内可见交感和副交感神经末梢。交感神经兴奋,促进A细胞分泌,使血糖升高;副交感神经兴奋,促使B细胞分泌,使血糖降低。

上一页:(一)外分泌部
当前页:(二)内分泌部
下一页:三、肝

原始资料来源互联网,药药网整理。